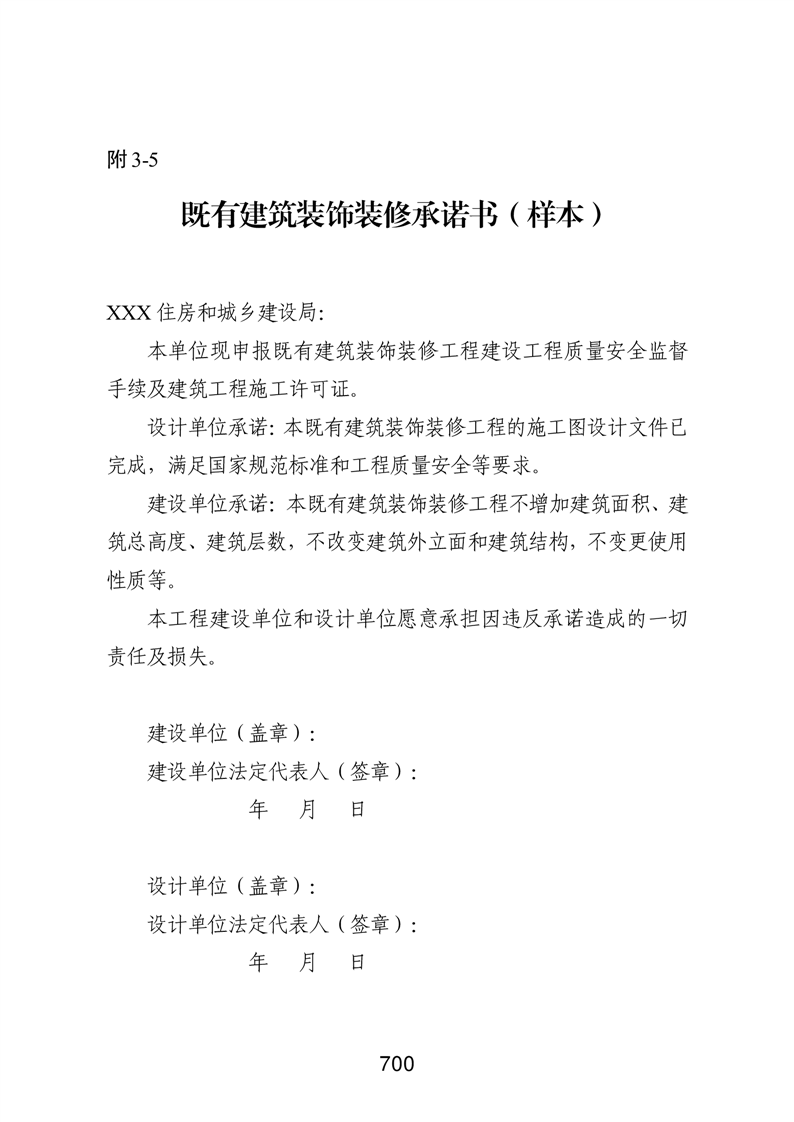
当前位置:
首页
>
专题专栏
>
工程建设审批改革专栏
>
政策文件
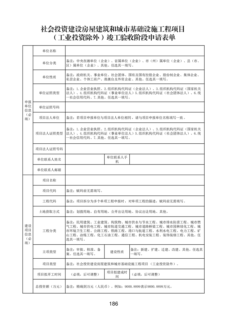
社会投资建设房屋建筑和城市基础设施工程项目(工业投资除外)工作指南(第五版)
来源:湘阴县工程建设项目审批制度改革工作领导小组办公室
2025-04-02 09:46
浏览量:
1
|
|
|
|