湘阴县人民政府
政府信息公开
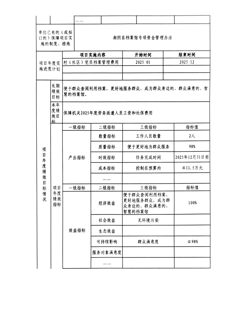
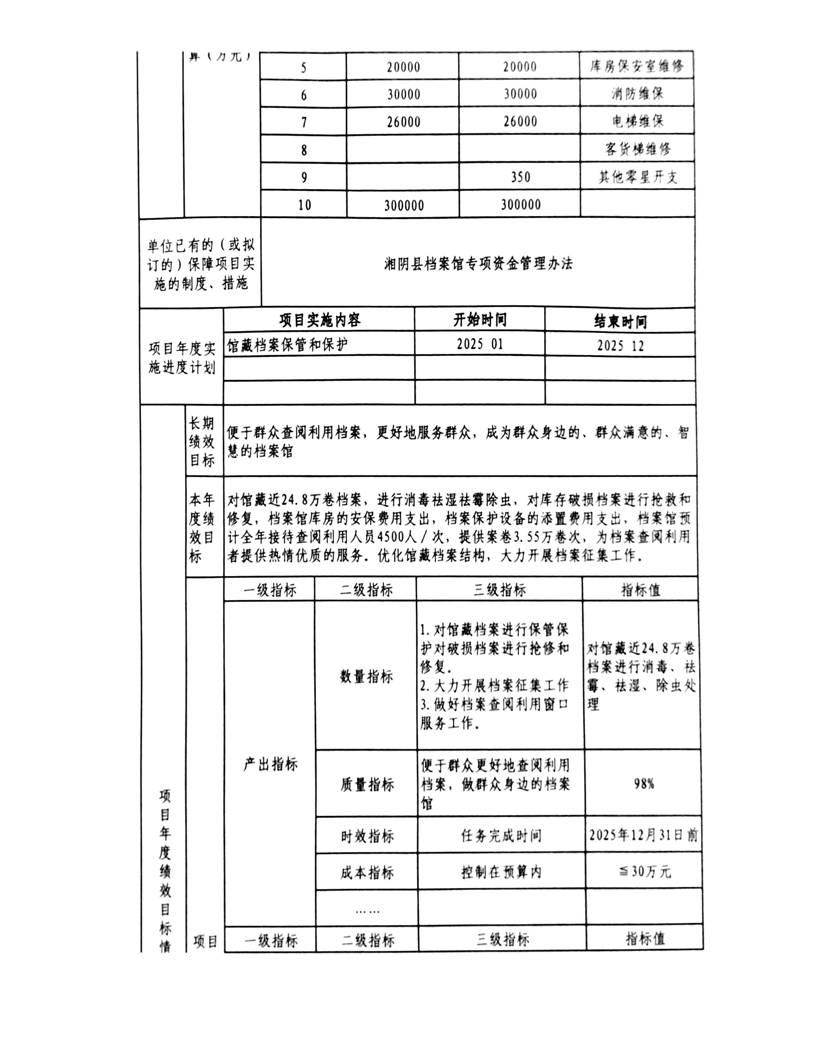
2025年-湘阴县档案馆-整体、项目支出预算绩效目标申报表
来源: 湘阴县档案馆
发布时间: 2025-04-08 17:32
浏览次数:
1