湘阴县人民政府
政府信息公开
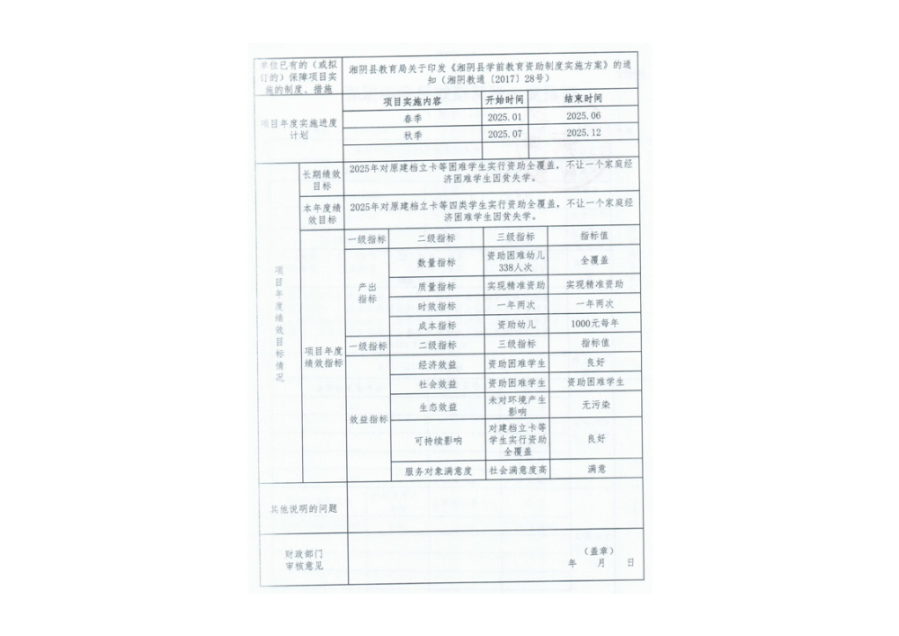
2025年度湘阴县教育局部门绩效目标申报表
来源: 湘阴县教育局
发布时间: 2025-01-23 16:09
浏览次数:
1